※行业前景
《中国制造2025》提出:加快机械、航空、船舶、汽车、轻工、纺织、食品、电子等行业生产设备的智能化改造,提高精准制造、敏捷制造能力;统筹布局和推动智能交通工具、智能工程机械、服务机器人、智能家电、智能照明电器、可穿戴设备等产品研发和产业化;发展基于互联网的个性化定制、众包设计、云制造等新型制造模式,推动形成基于消费需求动态感知的研发、制造和产业组织方式等。到了2025年,智能制造相关领域的青年人才缺口将高达450万,目前好多公司急需机械制图技术员,高中以上学历的有志青年进入大有可为
※
招生对象
1.未从事机械相关工作的零基础人员;
2.从事机械相关工作的现场操作普工;
3.从事机械相关装配、维修技师;
4.公司老板和主管;
※
课程特色
本课程主要讲机械制图相关基础知识,包括剖视图、三视图角法、表面粗糙度、公差与配合、形位公差等;AutoCAD绘图命令的使用;对象图层、颜色、线型的设置;标注样式、文字样式的设置;标注尺寸公差设置;临时块与永久块的使用;图框的制作与使用;产品零件出图标数与图纸打印。
※
培训目标
1.根据不同角法看懂较复杂三视图图纸;
2.按照客户提供图片或实物绘制出CAD图纸;
3.配合客户更改产品或零件图纸;
4.出产品零件加工图;
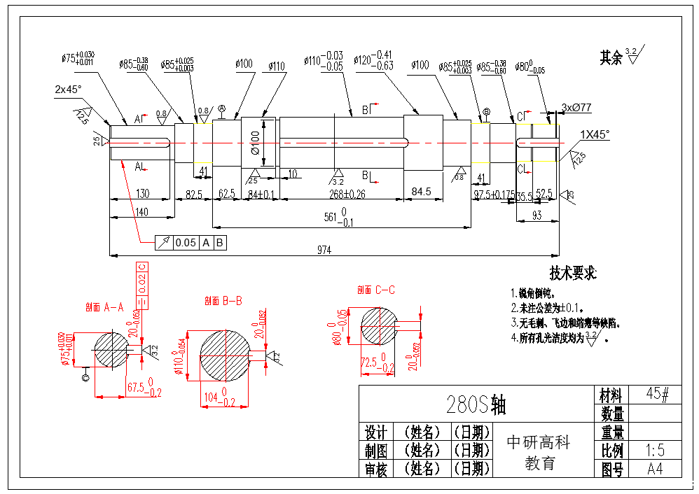
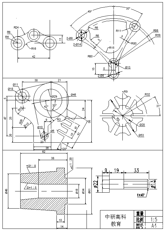
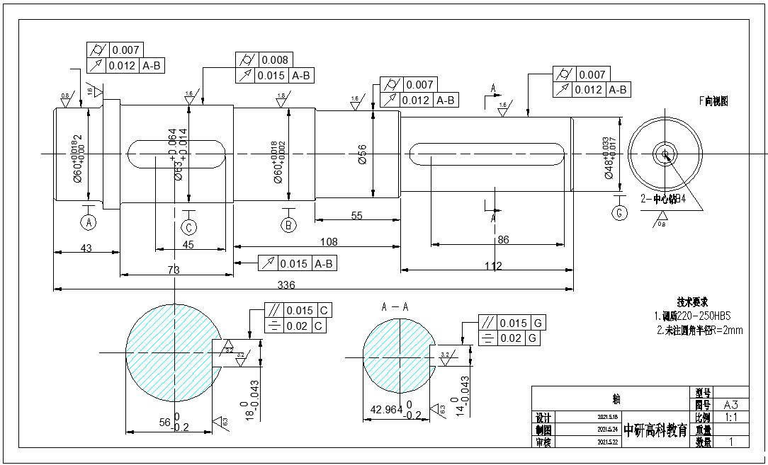
CAD培训现场
※
课程大纲
第1课 机械制图基础知识
第2课 CAD软件界面介绍及简单绘图命令
第3课 利用极坐标绘图
第4课 绘图案例讲解(1)
第5课 绘图案例讲解(2)
第6课 绘图案例讲解(3)
第7课 绘图案例讲解(4)
第8课 图层、颜色、线型的设置
第9课 标注样式、文字样式的设置
第10课 标注尺寸公差设置
第11课 文字编辑与应用
第12课 块的设置与应用
第13课 工程图的绘制与标注
第14课 图框制作与打印
RAYBET雷竞技首页官网






