13296444375

全站搜索

首页 / doinb雷竞技 / 同轴度的如何进行测量?
返回

同轴度的如何进行测量?

浏览次数:148 分类:doinb雷竞技 分类:行业新闻

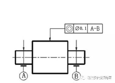
同轴度误差的理解:

同轴度误差就是指被测轴线相对基准轴线偏差的变化量,它是反映在横截面上圆心的不同心,同轴度的测量对象是回转体零件。

 

同轴度检测是我们在测量工作中经常遇到的检测项目,用三坐标进行同轴度的检测,不仅直观而且又方便。但是由于测量方法及测量基准选用的不同,以及采点策略、测量环境等因素的影响,常常会出现测量结果误差大、重复性差的现象。如何解决该类问题?作为质量检测工程师,首先需要解决影响较大的两个问题——采用合理的采样策略,以及减小放大误差的影响。

01

采样策略需要注意啥?

简而言之,同轴度评价特征的采样策略就是选取合理的采点方式来采集元素。

这里建议,测量圆或者圆柱特征时,利用自动采点来排除采点误差,并且采集点数和层数适当增加,因为三坐标测量机构造测量元素所依赖的是最小二乘法,所以要求采点数要达到一定数量才可以。

02

减小同轴度放大误差?

基准轴线与被测轴线的长度与距离引起的误差称作放大误差,这是最具有争议的一项误差。

以典型案例为例:两个距离相对较远的短圆柱如何精准评价同轴度。

abb41e75017327df763d714894ee27aa

如图所示,这里假设,基准上两个测量截面间的距离相对很小,基准的一层截面与被测第一层截面的距离很大,如果基准圆柱第二截面的圆心位置已有5μm的测量误差,根据三角形相似的原理,当测量轴线到达被测截面时已经被放大成了50μm,根据同轴度的计算方法50*2=100μm的同轴度误差,直接评价结果就不能真实反映零件的实际情况。为解决上述情况,就要选用一种合理的测量方法来避免。

最常用的方法就是公共轴线法。

当基准圆柱与被测圆柱较短且距离较远时,在基准圆柱和被测圆柱两端各测量两层截面圆,将四层截面圆的圆心连线作为基准轴线,然后分别评价基准圆柱与被测圆柱相对于公共轴线的同轴度,取其中最大值作为该零件的同轴度误差,但这种放法也存在一定问题,因为基准轴线是两者的结合,缩小了实际可能比较大的误差,造成误判为合格,但是却是最适合装配和运转的实际情况。如果是下图这种情况,也是需要构造公共轴线来进行评价同轴度。

214d7092aa28b862cc56fe052b56efd4

END

点击取消回复

    分类

    在线客服x

    客服
    顶部 回到顶部
    Baidu
    map